Plan 18-2161 – Auburn Garden Lodge | Cape Cod – 3-Bed, 2-Bath, 1,620 SF
Cape Cod and Coastal Cottage house plan with siding and shingle exterior • 3 bed • 2 bath • 1,620 SF. Covered front porch, open living layout, classic symmetry. Includes CAD+PDF + unlimited build license.
Original price was: $1,859.95.$1,214.45Current price is: $1,214.45.
999 in stock
* Please verify all details with the actual plan, as the plan takes precedence over the information shown below.
| Width | 48'-0" |
|---|---|
| Depth | 55'-6" |
| Htd SF | |
| Unhtd SF | |
| Bedrooms | |
| Bathrooms | |
| # of Floors | |
| # Garage Bays | |
| Architectural Styles | |
| Indoor Features | |
| Outdoor Features | |
| Bed and Bath Features | Owner's Suite on First Floor, Split Bedrooms, Walk-in Closet |
| Kitchen Features | |
| Condition | New |
| Ceiling Features | |
| Structure Type | |
| Exterior Material |
Carol Snyder – November 21, 2024
Mark replied on a Sundaylegendary support.
9 FT+ Ceilings | Affordable | Breakfast Nook | Butler’s Pantry | Covered Front Porch | Craftsman | Family Room | Foyer | Kitchen Island | Laundry Room | Medium | Open Floor Plan Designs | Owner’s Suite on the First Floor | Screened Porches | Sloped Lot | Split Bedroom | Traditional | Walk-in Closet | Walk-in Pantry
Cape Cod Coastal Cottage Home Plan with Timeless Curb Appeal
A thoughtfully designed Cape Cod Coastal Cottage house plan featuring classic proportions, inviting outdoor living, and efficient interior spaces—ideal for primary residences, vacation homes, or downsizing.
This Cape Cod Coastal Cottage home plan blends enduring architectural tradition with modern livability. Inspired by the historic cottages of New England’s coastlines, this design delivers clean symmetry, a welcoming front porch, and a warm, approachable presence that never feels dated. Whether built near the shore or inland, the style adapts beautifully to a wide range of settings.
Heated & Unheated Living Areas
- Total Heated Area: Approximately 1,620 square feet
- Unheated Spaces: Covered front porch and rear stoop
- Foundation Options: Crawlspace, slab, or basement adaptable
The compact footprint maximizes usable space while keeping construction efficient and cost-effective. Every square foot is intentional, resulting in a home that feels larger than its size.
Bedrooms & Bathrooms
- 3 comfortable bedrooms with excellent natural light
- 2 full bathrooms designed for privacy and convenience
- Primary bedroom positioned for quiet separation
This layout works equally well for families, empty nesters, or short-term rental use. Bedrooms are proportioned to accommodate real furniture layouts—not just minimum code sizes.
Interior Layout & Design Highlights
- Open-concept living, dining, and kitchen arrangement
- Efficient kitchen workflow with generous cabinetry
- Central gathering space ideal for entertaining
- Dedicated laundry area tucked discreetly away
- Thoughtful circulation that avoids wasted hall space
The interior reflects the relaxed elegance Cape Cod homes are known for—simple lines, balanced proportions, and an emphasis on livability over excess.
Exterior Materials & Architectural Character
- Horizontal lap siding for a clean coastal appearance
- Shingle-style siding accents in the front gable
- Brick raised foundation for durability and visual grounding
- Symmetrical façade with centered entry
- Low-maintenance materials suited for coastal or humid climates
The combination of siding and shingle textures creates visual depth without overpowering the modest scale of the home. This restrained detailing is a hallmark of authentic Cape Cod and Coastal Cottage architecture.
Outdoor Living & Curb Appeal
- Covered front porch ideal for seating or seasonal décor
- Balanced landscaping potential along the front elevation
- Rear yard easily adaptable for patios or decks
The front porch is more than aesthetic—it establishes a strong connection between indoor and outdoor living, encouraging everyday use and neighborhood interaction.
Architectural Style: Cape Cod Coastal Cottage
This home draws from traditional Cape Cod architecture while incorporating the relaxed charm of a Coastal Cottage. Steep rooflines, simple massing, and minimal ornamentation are paired with light materials and inviting outdoor elements. The result is a design that feels both historic and fresh.
For a deeper look at the origins and evolution of Cape Cod homes, this architectural overview from ArchDaily offers valuable context.
Why This Plan Works for Today’s Buyers
- Efficient square footage keeps construction and operating costs lower
- Flexible layout supports aging in place or rental use
- Classic styling protects long-term resale value
- Adaptable foundation and site options
Unlike trend-driven designs, this Cape Cod Coastal Cottage plan is built on proportions and principles that have proven successful for generations.
What’s Included with This House Plan
- Complete CAD Files: Fully editable for customization
- Printable PDF Plans: Builder-ready construction documents
- Unlimited Build License: Build as many times as you want
- Engineering Included: Structural plans ready for permitting
- Free Foundation Changes: Match your site conditions
Ideal Uses for This Design
- Primary residence
- Coastal vacation home
- Retirement or downsizing house
- Short-term rental investment
Frequently Asked Questions
Can this home be built outside coastal areas?
Absolutely. While inspired by coastal architecture, the materials and proportions work beautifully in suburban and rural settings.
Is the plan customizable?
Yes. Room sizes, exterior materials, and layout adjustments can all be tailored to your needs.
Does this design support future additions?
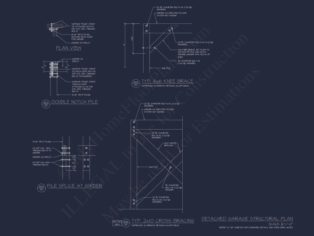
The simple massing makes future expansions or detached garages easy to plan.
Build with Confidence
This Cape Cod Coastal Cottage home plan delivers architectural integrity, modern comfort, and long-term value in one beautifully balanced design. Whether you’re building near the coast or simply love the timeless cottage aesthetic, this plan offers a dependable foundation for your next home.
Classic style. Smart design. Built to last.
Plan 18-2161 – Auburn Garden Lodge | Cape Cod – 3-Bed, 2-Bath, 1,620 SF
- BOTH a PDF and CAD file (sent to the email provided/a copy of the downloadable files will be in your account here)
- PDF – Easily printable at any local print shop
- CAD Files – Delivered in AutoCAD format. Required for structural engineering and very helpful for modifications.
- Structural Engineering – Included with every plan unless not shown in the product images. Very helpful and reduces engineering time dramatically for any state. *All plans must be approved by engineer licensed in state of build*
Disclaimer
Verify dimensions, square footage, and description against product images before purchase. Currently, most attributes were extracted with AI and have not been manually reviewed.
My Home Floor Plans, Inc. does not assume liability for any deviations in the plans. All information must be confirmed by your contractor prior to construction. Dimensions govern over scale.


